技术文章
TECHNICAL ARTICLES
更新时间:2025-11-19
点击次数:358
大气电场监测仪:能够准确捕捉大气电场强度的细微变化,提高监测效率【型号推荐:TH-DC1,物联网一体化设备,云境天合支持定制服务】大气电场监测仪通过高精度传感器与智能算法的结合,能够准确捕捉大气电场强度的细微变化,显著提升监测效率,以秒级或分钟级频率采集电场数据,通过4G、LoRa、NB-IoT等无线通信模块实时上传至云端平台或监控中心。当云层内电荷积累达到临界值时,电场仪通过数据模型将其转化为可量化的电场梯度值,预判雷暴云的放电趋势。可在雷电发生前5-30分钟发出预警,预警准确率超90%,为人员疏散和设备保护争取黄金时间。机场部署大气电场仪实时监测跑道周边电场,当电场波动超过阈值时,闪电定位仪迅速定位雷暴云团,为航班调度提供绕飞建议。

一、应用环境说明
大气电场仪是一种高精度的雷电监测与预警设备,能够实时监测大气中的电场变化,精准捕捉雷电活动的踪迹,为雷电灾害的防范提供有力支持。
在气象监测领域,大气电场仪可广泛应用于气象台站,对区域内的雷电活动进行连续、不间断的监测,为天气预报和气象灾害预警提供关键数据。通过对大气电场变化的分析,气象部门能够提前预测雷电天气的发生概率、强度和发展趋势,及时发布雷电预警信号,为社会公众、航空、航海等行业的安全运行提供重要参考依据。
对于各类易受雷击的场所,如石油化工企业、通信基站、电力设施、高层建筑等,大气电场仪可作为雷电防护的重要监测工具。在这些场所周边安装大气电场仪,能够实时掌握周边大气电场的动态变化,当监测到大气电场强度超过预设的阈值时,及时触发警报,提醒工作人员采取相应的防护措施,如停止户外作业、关闭关键设备等,从而有效降低雷电灾害对人员生命安全和设备设施造成的损失。
此外,在农业、林业等行业领域,大气电场仪也具有一定的应用价值。在农业生产中,提前获知雷电天气信息有助于合理安排农事活动,避免因雷电天气导致的农作物损失,同时也有利于保障农业作业人员的安全。在林业方面,可利用大气电场仪监测雷电活动,预防雷击引发的森林火灾,为森林资源的保护提供保障。
二、技术性能和规格
1.技术参数
| 量程 | -100kv/m——100kv/m |
| 精度 | ±0.001%F.S |
| 响应时间 | 3s |
| 外壳材质 | 6061铝合金 |
| 供电电压 | 12VDC(0.5W@12V) |
| 通讯方式 | Modbus-485 |
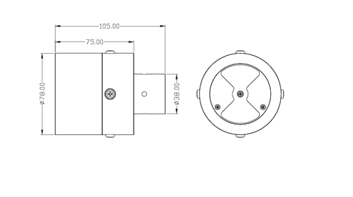
2. 尺寸图

三、安装和电气连接
1.安装
1.1:本产品属于较精密仪器,应该避免摔落冲击等现象。
1.2:设备避免高温,注意防水,防结冰;
1.3:开箱后的仪器应当保存在干燥、通风及无腐蚀性气体的场所,搬运时应小心轻放,切忌剧烈振动。灰尘、潮湿以及剧烈的温度变化会影响本产品的使用寿命,因此避免放置在这些地方。
使用时设备应有良好的接地
2.电气安装
线缆为4芯屏蔽线,线序定义:
1-红色-电源线(12~24VDC)
2-蓝色-地线(GND)
3-绿色-485B
4-黄色-485A